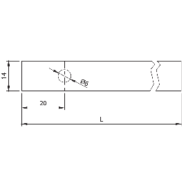
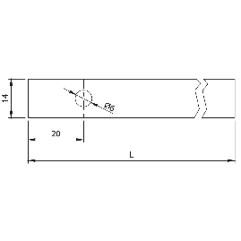
TRINGLE ACIER 687
SKU
BAK090279
Tringle galvanisée, percée aux extrémités.
Longueur : 2 000 mm.
Longueur : 2 000 mm.
Vendu par : 1 pièce
Description
TRINGLE ACIER 687
| Marque | N/A |
|---|---|
| Carré mm | 14 x 14 |
Les avis clients
Il n'y a pas encore d'avis sur ce produit Les questions / réponses

